search
clear
Connexion
email
phone
Langue:
fr
en
nl
de
es
fr
it
pl
pt
Instruments
Série VL
VL Flex
VL Digital
Veratron VMH
VMH 35
VMH 14
VMH 70
VMH Flex
Veratron Ligne de vue marine
Ampèremètres
Jauges de niveau de carburant
Profondimètres
Manomètres
Horloges
Compteurs programmeurs
Indicateurs d’angle de gouvernail
Compteurs de vitesse GPS - SOG
Speedometers Street
Jauges de température
Tachymètres
Calibres de trim
Compteurs d’heures
Voltmètres
Voltmètre - compteurs d’heures
Indicateurs de niveau d’eau
Compteurs synchrones à tachyomètres
Surveillance des alertes
Veratron Marine AcquaLink
Ampèremètres
Jauges de niveau de carburant
Contrôleurs
Profondimètres
Manomètres
Boussole
Unités d’affichage de mâts
Écrans multifonctions
Indicateurs d’angle de gouvernail
Compteurs de vitesse GPS - SOG
Compteurs de vitesse LOG
Jauges de température
Maître des tachymètres
Calibres de trim
Voltmètres
Veratron Marine OceanLink II
Ampèremètres
Jauges de niveau de carburant
Contrôleurs
Profondimètres
Manomètres
Kompassen
Écrans multifonctions
Jauges programmables
Indicateurs d’angle de gouvernail
Compteurs de vitesse GPS - SOG
Jauges de température
Maître des tachymètres
Calibres de trim
Voltmètres
Indicateurs de niveau d’eau
VDO Marine Old Series
Jauges de niveau de carburant
Manomètres
Compteurs de vitesse LOG
Jauges de température
Tachymètres
Voltmètres
Capteurs
Capteurs de niveau de carburant
Capteurs de tubes de carburant 0-180 Ohm
Capteurs de tubes de carburant 90-4 Ohm
Capteurs de tubes de carburant 240-33 ohms
Émets du bras de levier à carburant 3-180 Ohm
Capteurs de surveillance moteur
Capteur de batterie intelligent (SII)
Dérivations d’ampèremètres
Émetteurs de pression
Transmetteurs de pression - Contact d’avertissement
Émetteurs de pression - Double station
Transmetteurs de pression électroniques (EPS)
Interrupteurs de pression
Capteurs de température
Capteurs de température - Contact d’avertissement
Capteurs de température - Station double
Interrupteurs de température
Capteurs de révolution et de vitesse
Capteurs de navigation
Capteurs à baromètre NMEA 2000
Capteurs de profondeur NMEA 0183
Capteurs de profondeur NMEA 2000
Capteurs GPS NMEA 0183
Capteurs GPS NMEA 2000
Compass Sensors NMEA 2000
Capteurs de température NMEA 2000
Capteurs d’angle de gouvernail
Capteurs Sumlog Nouveau type
Capteurs Sumlog Ancien type
Multicapteur triducteur
Capteurs de vent
Capteurs éoliens NMEA 2000
Capteurs de niveau d’eau
Capteurs d’eaux usées 4-20mA
Capteurs d’eaux usées NMEA 2000
Capteurs d’eau potable 3-180 Ohm
Capteurs d’eau potable 4-20mA
Capteurs d’eau potable NMEA 2000
Parties
AcquaLink - Pièces OceanLink
Câbles Aqualink VDO Marine Bus
Câbles de bus marins OceanLink II VDO
Câbles système VDO-Bus
Bordures AcquaLink
Bordures OceanLink II
Pièces ViewLine
Connexion des câbles
Connecteurs
Expositions
Bordures
Interfaces
Pièces de montage
Programmation
Interrupteurs
Surveillance des alertes
Résistances en série
Éclairage
Capteurs, pièces et accessoires
Pièces des capteurs moteur
Pièces de capteurs de niveau
Composants des capteurs de navigation
Pièces du capteur Sumlog, nouveau modèle
Pièces de capteur Sumlog modèle ancien
Pièces de triduceurs marins
Pièces du capteur triducteur NMEA 2000
Pièces de capteur de vent pour 08-1993
Parties du capteur de vent NA08-1993
Pièces de capteur de vent NMEA 2000
Pièces et accessoires multimédias
Veratron Pièces d’instruments AcquaLink
Veratron Nouvelles pièces OceanLink
VDO OceanLink Anciennes pièces
Veratron Parties ViewLine
VDO OceanLine Anciennes pièces
OEM en vrac
Veratron OEM ViewLine Bulk
Ampèremètres
Caissiers de Bedrijfsuren
Compteurs de Brandsof
Dieptémètres
Drukmètres
Roerstandaanwijzers
Snelheidsmètres
Températomètres
Toerentellers
Jauges synchroniseuses de tachy-synchroniseur
Compteurs de découpage
Tijdklokken
Voltmètres
Compteurs de niveau d’eau
Veratron OEM de pièces en vrac
Bordures ViewLine
Câbles ViewLine
Veratron Capteurs en vrac OEM
Émets du bras de levier à carburant 3-180 Ohm
Téléchargements
Catalogues VDO :
Généralités
Instrumentation Oceanlink
Instrumentation ViewLine
Instrumentation Cockpit International
Instrumentation Acqualink
Instrumentation Cockpit Vision
Informations sur les produits des jauges VDO :
Ampèremètres
VDO Cockpit International
VDO ViewLine
VDO Cockpit Vision
Compteurs d’heures moteur
VDO Cockpit International
VDO ViewLine
Jauges de niveau de carburant
VDO Cockpit International
VDO Cockpit Vision
VDO ViewLine
Multifonction 2 en 1
VDO ViewLine
Multifonction 4 en 1
VDO ViewLine
Jauges d’avertissement
VDO ViewLine
Profondimètres
VDO ViewLine
Manomètres
VDO Cockpit International
VDO Cockpit Vision
VDO ViewLine
Indicateurs d’angle de gouvernail
VDO ViewLine
Compteurs de vitesse
VDO Cockpit International
VDO Cockpit Vision
VDO ViewLine
Compteurs de vitesse GPS SOG
VDO ViewLine
Compteurs de vitesse Sumlog
VDO ViewLine
Jauges de température
VDO Cockpit International
VDO Cockpit Vision
VDO ViewLine
Horloges
VDO Cockpit International
VDO Cockpit Vision
VDO ViewLine
Jauges synchroniseuses de tachy-synchroniseur
VDO ViewLine
Tachymètres
VDO Cockpit International
VDO Cockpit Vision
VDO ViewLine
Calibres de trim
VDO ViewLine
Voltmètres
VDO Cockpit International
VDO Cockpit Vision
VDO ViewLine
Indicateurs de niveau d’eau
VDO ViewLine
Indicateurs de vent
VDO ViewLine
Capteurs et pièces VDO :
Capteurs d’eaux usées
VDO Multimédia
DAB Radios
Continental TRD7412UB-OR - 12 volts :
Continental TRD7423UB-OR - 24 volts :
Lecteurs CD radio
Continental CD7416U-OR - 12 volts :
Continental CD7416UB-OR - 12 volts :
Continental CD7426U-OR - 24 volts :
Continental CD7426UB-OR - 24 volts :
Radios
Continental TR7311U-OR - 12 volts :
Continental TR7322U-OR - 24 volts :
Continental TR7411U-OR - 12 volts :
Continental TR7412UB-OR - 12 Volts :
Continental TR7422U-OR - 24 volts :
Continental TR7423UB-OR - 24 volts :
Home
+
Instruments
+
Veratron VMH
VMH 35
VMH 14
VMH 70
VMH Flex
+
Veratron Ligne de vue marine
Ampèremètres
Jauges de niveau de carburant
Profondimètres
Manomètres
Horloges
Compteurs programmeurs
Indicateurs d’angle de gouvernail
Compteurs de vitesse GPS - SOG
Speedometers Street
Jauges de température
Tachymètres
Calibres de trim
Compteurs d’heures
Voltmètres
Voltmètre - compteurs d’heures
Indicateurs de niveau d’eau
Compteurs synchrones à tachyomètres
Surveillance des alertes
+
Série VL
VL Flex
VL Digital
+
Veratron Marine AcquaLink
Ampèremètres
Jauges de niveau de carburant
Contrôleurs
Profondimètres
Manomètres
Boussole
Unités d’affichage de mâts
Écrans multifonctions
Indicateurs d’angle de gouvernail
Compteurs de vitesse GPS - SOG
Compteurs de vitesse LOG
Jauges de température
Maître des tachymètres
Calibres de trim
Voltmètres
Indicateurs de niveau d’eau
Indicateurs de vent
+
Veratron Marine OceanLink II
Ampèremètres
Jauges de niveau de carburant
Contrôleurs
Profondimètres
Manomètres
Kompassen
Écrans multifonctions
Jauges programmables
Indicateurs d’angle de gouvernail
Compteurs de vitesse GPS - SOG
Jauges de température
Maître des tachymètres
Calibres de trim
Voltmètres
Indicateurs de niveau d’eau
Indicateurs de vent
+
VDO Marine Old Series
Jauges de niveau de carburant
Manomètres
Compteurs de vitesse LOG
Jauges de température
Tachymètres
Voltmètres
+
Capteurs
+
Capteurs de niveau de carburant
Capteurs de tubes de carburant 0-180 Ohm
Capteurs de tubes de carburant 90-4 Ohm
Capteurs de tubes de carburant 240-33 ohms
Émets du bras de levier à carburant 3-180 Ohm
+
Capteurs de surveillance moteur
Capteur de batterie intelligent (SII)
Dérivations d’ampèremètres
Émetteurs de pression
Transmetteurs de pression - Contact d’avertissement
Émetteurs de pression - Double station
Transmetteurs de pression électroniques (EPS)
Interrupteurs de pression
Capteurs de température
Capteurs de température - Contact d’avertissement
Capteurs de température - Station double
Interrupteurs de température
Capteurs de révolution et de vitesse
+
Capteurs de navigation
Capteurs à baromètre NMEA 2000
Capteurs de profondeur NMEA 0183
Capteurs de profondeur NMEA 2000
Capteurs GPS NMEA 0183
Capteurs GPS NMEA 2000
Compass Sensors NMEA 2000
Capteurs de température NMEA 2000
Capteurs d’angle de gouvernail
Capteurs Sumlog Nouveau type
Capteurs Sumlog Ancien type
Multicapteur triducteur
Capteurs de vent
Capteurs éoliens NMEA 2000
+
Capteurs de niveau d’eau
Capteurs d’eaux usées 4-20mA
Capteurs d’eaux usées NMEA 2000
Capteurs d’eau potable 3-180 Ohm
Capteurs d’eau potable 4-20mA
Capteurs d’eau potable NMEA 2000
+
Parties
+
AcquaLink - Pièces OceanLink
Câbles Aqualink VDO Marine Bus
Câbles de bus marins OceanLink II VDO
Câbles système VDO-Bus
Bordures AcquaLink
Bordures OceanLink II
NMEA2000 Câble et connecteurs
+
Pièces ViewLine
Connexion des câbles
Connecteurs
Expositions
Bordures
Interfaces
Pièces de montage
Programmation
Interrupteurs
Surveillance des alertes
Résistances en série
Éclairage
+
Capteurs, pièces et accessoires
Pièces des capteurs moteur
Pièces de capteurs de niveau
Composants des capteurs de navigation
+
Pièces et accessoires multimédias
Veratron Parties ViewLine
VDO OceanLink Anciennes pièces
Veratron Nouvelles pièces OceanLink
Veratron Pièces d’instruments AcquaLink
VDO OceanLine Anciennes pièces
+
OEM en vrac
Veratron sensoren
+
Veratron OEM ViewLine Bulk
Ampèremètres
Caissiers de Bedrijfsuren
Compteurs de Brandsof
Dieptémètres
Drukmètres
Roerstandaanwijzers
Snelheidsmètres
Températomètres
Toerentellers
Jauges synchroniseuses de tachy-synchroniseur
Compteurs de découpage
Tijdklokken
Voltmètres
Compteurs de niveau d’eau
+
Veratron OEM de pièces en vrac
Câbles ViewLine
Bordures ViewLine
+
Veratron Capteurs en vrac OEM
Émets du bras de levier à carburant 3-180 Ohm
+
Interfaces
NavControllers
Boîte motrice
Interfaces médias
Interfaces de navigation
+
Téléchargements
Catalogues VDO :
Informations sur les produits des jauges VDO :
Capteurs et pièces VDO :
VDO Multimédia
phone
Contact
shopping_cart
0
Accueil
OEM en vrac
Veratron OEM ViewLine Bulk
Caissiers de Bedrijfsuren
ViewLine 10X Veratron - compteur blanc des heures 52mm - Éclairé - 12-24V DLTC
search
ViewLine 10X Veratron - compteur blanc des heures 52mm - Éclairé - 12-24V DLTC
Numéro de pièce :
A2C59513673
Diamètre d’installation 52 mm - 2 1/16"
Cadran blanc - Ambre rétroéclairé
Triangle chromé à lunette
Horaires d’ouverture : 99999,9 uur
Entrée : En plus, via l’interrupteur d’allumage
Objectif : Double plastique anti-embrouillé
Informations logistiques :
Retirée progressive - Sur demande
Cliquez ici pour des informations détaillées.
Poids : 0.33kg
Article arrêté
Article de remplacement sur demande
Détails du produit
Référence
A2C59513673
Fiche technique
Taille du trou d’installation
52 mm - 2 1/16 pouce
Couleur
Cadran blanc
Objectif
Double anti-embrouillement en plastique
Modèle à lunette
Triangle chromé
Plage de mesure
0 - 99999.9 H
Catégorie
Compteurs d’heures
Serie
Veratron ViewLine OEM-Bulk
Application
Veratron Surveillance moteur
Signal analogique
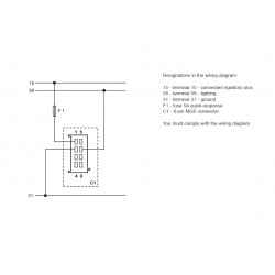
Plus contactslot Ontsteking
Avant de la classe IP
IP67-IEC 60529
Tension de fonctionnement
12 - 24 Volts DC Tyco 8 broches
Statut de la pièce - Délai de livraison
Retirée progressive - Sur demande
Emballage
Veratron 10 Stuks OEM en vrac
Fonctionnalités
Intervalles d’entretien
Lunette interchangeable
Oui - Clip
Voyant d’alerte
LED rouge - Contrôle via + et -
Communication
Analogique
Échelle à cadran
Simple
Montage
Écrou central à spinlock 52mm
Éclairage à cadran
LED ambre non dimmable
Arrière de la classe IP
IP52-IEC 60529
Type de connecteur de données
Tyco 8-Polig MQS
Type de connecteur d’alimentation
Tyco 8-Polig MQS
A2C59513673
Diamètre d’installation 52 mm - 2 1/16"
Cadran blanc - Ambre rétroéclairé
Triangle chromé à lunette
Horaires d’ouverture : 99999,9 uur
Entrée : En plus, via l’interrupteur d’allumage
Objectif : Double plastique anti-embrouillé