search
clear
Inicia sesión
email
phone
Idioma:
es
en
nl
de
es
fr
it
pl
pt
Instrumentos
Serie VL
VL Flex
VL Digital
Veratron VMH
VMH 35
VMH 14
VMH 70
VMH Flex
Veratron Línea de visión marina
Amperímetros
Indicadores de nivel de combustible
Profundómetros
Manómetros
Relojes
Medidores programadores
Indicadores de ángulo del timón
Velocímetros GPS - SOG
Calle Velocímetros
Medidores de temperatura
Tacómetros
Calibres de acabado
Contadores de horas
Voltímetros
Voltímetro - Contadores de horas
Medidores de nivel de agua
Medidores de tacógrafo sincronizados
Monitorización de advertencias
Veratron Marine AcquaLink
Amperímetros
Indicadores de nivel de combustible
Controladores
Profundómetros
Manómetros
Brújula
Unidades de exhibición de mástiles
Pantallas multifunción
Indicadores de ángulo del timón
Velocímetros GPS - SOG
Velocímetros LOG
Medidores de temperatura
Maestro de Tacómetros
Calibres de acabado
Voltímetros
Veratron Marine OceanLink II
Amperímetros
Indicadores de nivel de combustible
Controladores
Profundómetros
Manómetros
Kompassen
Pantallas multifunción
Indicadores programables
Indicadores de ángulo del timón
Velocímetros GPS - SOG
Medidores de temperatura
Maestro de Tacómetros
Calibres de acabado
Voltímetros
Medidores de nivel de agua
VDO Marine Serie Antigua
Indicadores de nivel de combustible
Manómetros
Velocímetros LOG
Medidores de temperatura
Tacómetros
Voltímetros
Sensores
Sensores de nivel de combustible
Sensores de tubo de combustible 0-180 Ohm
Sensores del tubo de combustible 90-4 Ohmios
Sensores del tubo de combustible 240-33 Ohmios
Emisores del brazo de la palanca de combustible 3-180 Ohm
Sensores de monitorización del motor
Sensor Inteligente de Batería (IBS)
Derivaciones de amperímetro
Transmisores de presión
Transmisores de presión - Contacto de advertencia
Transmisores de presión - Estación dual
Transmisores de presión-Electrónicos (EPS)
Interruptores de presión
Sensores de temperatura
Sensores de temperatura - Contacto de advertencia
Sensores de temperatura - Estación dual
Interruptores de temperatura
Sensores de revolución y velocidad
Sensores de navegación
Sensores Barómetro NMEA 2000
Sensores de profundidad NMEA 0183
Sensores de profundidad NMEA 2000
Sensores GPS NMEA 0183
Sensores GPS NMEA 2000
Sensores de brújula NMEA 2000
Sensores de temperatura NMEA 2000
Sensores de ángulo de timón
Sensores Sumlog Nuevo Tipo
Sensores Sumlog Tipo Antiguo
Multisensor triductor
Sensores de viento
Sensores de Viento NMEA 2000
Sensores de nivel de agua
Sensores de aguas residuales 4-20mA
Sensores de aguas residuales NMEA 2000
Sensores de agua potable 3-180 Ohmios
Sensores de agua potable 4-20mA
Sensores de agua potable NMEA 2000
Partes
AcquaLink - Piezas de OceanLink
Cables de bus marítimos Acqualink VDO
Cables de bus marítimo OceanLink II VDO
Cables del sistema VDO-Bus
Biseles AcquaLink
Marzones OceanLink II
Partes de ViewLine
Cables de conexión
Conectores
Exposiciones
Biseles
Interfaces
Piezas de montaje
Programación
Interruptores
Monitorización de advertencias
Resistencias en serie
Iluminación
Componentes y accesorios de sensores
Piezas de sensores de motor
Componentes de sensores de nivel
Partes de sensores de navegación
Nuevo modelo de piezas del sensor Sumlog
Piezas del sensor Sumlog modelo antiguo
Piezas de triductores marinos
Piezas del sensor triductor NMEA 2000
Piezas de sensores de viento para 08-1993
Partes del sensor de viento NA 08-1993
Piezas de sensor de viento NMEA 2000
Piezas y accesorios multimedia
Veratron Partes de instrumentos de AcquaLink
Veratron Nuevas piezas de OceanLink
VDO OceanLink Piezas Antiguas
Veratron Partes de ViewLine
VDO OceanLine Piezas Antiguas
OEM a granel
Veratron OEM ViewLine Bulk
Ampèremetros
Cajeros de Bedrijfsuren
Medidores de Brandstof
Dieptémetros
Drukmeters
Roerstandaanwijzers
Snelheidsmeters
Temperatuurímetros
Vendedores
Gausas sincronizadoras de tacógrafos
Trimómetros
Tijdklokken
Voltímetros
Medidores de nivel de agua
Veratron OEM de piezas a granel
Biseles ViewLine
ViewLine Cables
Veratron Sensores Granel OEM
Emisores del brazo de la palanca de combustible 3-180 Ohm
Descargas
Catálogos VDO:
General
Instrumentación Oceanlink
Instrumentación ViewLine
Instrumentación de Cockpit International
Instrumentación Acqualink
Instrumentación Cockpit Vision
Información sobre el producto de los medidores VDO:
Amperímetros
VDO Cockpit International
VDO ViewLine
Visión de cabina VDO
Contadores de horas del motor
VDO Cockpit International
VDO ViewLine
Indicadores de nivel de combustible
VDO Cockpit International
Visión de cabina VDO
VDO ViewLine
Multifunción 2 en 1
VDO ViewLine
Multifunción 4 en 1
VDO ViewLine
Medidores de advertencia
VDO ViewLine
Profundómetros
VDO ViewLine
Manómetros
VDO Cockpit International
Visión de cabina VDO
VDO ViewLine
Indicadores de ángulo del timón
VDO ViewLine
Velocímetros
VDO Cockpit International
Visión de cabina VDO
VDO ViewLine
Velocímetros GPS SOG
VDO ViewLine
Velocímetros Sumlog
VDO ViewLine
Medidores de temperatura
VDO Cockpit International
Visión de cabina VDO
VDO ViewLine
Relojes
VDO Cockpit International
Visión de cabina VDO
VDO ViewLine
Gausas sincronizadoras de tacógrafos
VDO ViewLine
Tacómetros
VDO Cockpit International
Visión de cabina VDO
VDO ViewLine
Calibres de acabado
VDO ViewLine
Voltímetros
VDO Cockpit International
Visión de cabina VDO
VDO ViewLine
Medidores de nivel de agua
VDO ViewLine
Indicadores de viento
VDO ViewLine
Sensores y piezas VDO:
Sensores de aguas residuales
VDO Multimedia
DAB Radio
Continental TRD7412UB-OR - 12 voltios:
Continental TRD7423UB-OR - 24 voltios:
Reproductores de CD de radio
Continental CD7416U-OR - 12 voltios:
Continental CD7416UB-OR - 12 voltios:
Continental CD7426U-OR - 24 voltios:
Continental CD7426UB-OR - 24 voltios:
Radios
Continental TR7311U-OR - 12 voltios:
Continental TR7322U-OR - 24 voltios:
Continental TR7411U-OR - 12 voltios:
Continental TR7412UB-OR - 12 voltios:
Continental TR7422U-OR - 24 voltios:
Continental TR7423UB-OR - 24 voltios:
Home
+
Instrumentos
+
Veratron VMH
VMH 35
VMH 14
VMH 70
VMH Flex
+
Veratron Línea de visión marina
Amperímetros
Indicadores de nivel de combustible
Profundómetros
Manómetros
Relojes
Medidores programadores
Indicadores de ángulo del timón
Velocímetros GPS - SOG
Calle Velocímetros
Medidores de temperatura
Tacómetros
Calibres de acabado
Contadores de horas
Voltímetros
Voltímetro - Contadores de horas
Medidores de nivel de agua
Medidores de tacógrafo sincronizados
Monitorización de advertencias
+
Serie VL
VL Flex
VL Digital
+
Veratron Marine AcquaLink
Amperímetros
Indicadores de nivel de combustible
Controladores
Profundómetros
Manómetros
Brújula
Unidades de exhibición de mástiles
Pantallas multifunción
Indicadores de ángulo del timón
Velocímetros GPS - SOG
Velocímetros LOG
Medidores de temperatura
Maestro de Tacómetros
Calibres de acabado
Voltímetros
Medidores de nivel de agua
Indicadores de viento
+
Veratron Marine OceanLink II
Amperímetros
Indicadores de nivel de combustible
Controladores
Profundómetros
Manómetros
Kompassen
Pantallas multifunción
Indicadores programables
Indicadores de ángulo del timón
Velocímetros GPS - SOG
Medidores de temperatura
Maestro de Tacómetros
Calibres de acabado
Voltímetros
Medidores de nivel de agua
Indicadores de viento
+
VDO Marine Serie Antigua
Indicadores de nivel de combustible
Manómetros
Velocímetros LOG
Medidores de temperatura
Tacómetros
Voltímetros
+
Sensores
+
Sensores de nivel de combustible
Sensores de tubo de combustible 0-180 Ohm
Sensores del tubo de combustible 90-4 Ohmios
Sensores del tubo de combustible 240-33 Ohmios
Emisores del brazo de la palanca de combustible 3-180 Ohm
+
Sensores de monitorización del motor
Sensor Inteligente de Batería (IBS)
Derivaciones de amperímetro
Transmisores de presión
Transmisores de presión - Contacto de advertencia
Transmisores de presión - Estación dual
Transmisores de presión-Electrónicos (EPS)
Interruptores de presión
Sensores de temperatura
Sensores de temperatura - Contacto de advertencia
Sensores de temperatura - Estación dual
Interruptores de temperatura
Sensores de revolución y velocidad
+
Sensores de navegación
Sensores Barómetro NMEA 2000
Sensores de profundidad NMEA 0183
Sensores de profundidad NMEA 2000
Sensores GPS NMEA 0183
Sensores GPS NMEA 2000
Sensores de brújula NMEA 2000
Sensores de temperatura NMEA 2000
Sensores de ángulo de timón
Sensores Sumlog Nuevo Tipo
Sensores Sumlog Tipo Antiguo
Multisensor triductor
Sensores de viento
Sensores de Viento NMEA 2000
+
Sensores de nivel de agua
Sensores de aguas residuales 4-20mA
Sensores de aguas residuales NMEA 2000
Sensores de agua potable 3-180 Ohmios
Sensores de agua potable 4-20mA
Sensores de agua potable NMEA 2000
+
Partes
+
AcquaLink - Piezas de OceanLink
Cables de bus marítimos Acqualink VDO
Cables de bus marítimo OceanLink II VDO
Cables del sistema VDO-Bus
Biseles AcquaLink
Marzones OceanLink II
NMEA2000 Cable y conectores
+
Partes de ViewLine
Cables de conexión
Conectores
Exposiciones
Biseles
Interfaces
Piezas de montaje
Programación
Interruptores
Monitorización de advertencias
Resistencias en serie
Iluminación
+
Componentes y accesorios de sensores
Piezas de sensores de motor
Componentes de sensores de nivel
Partes de sensores de navegación
+
Piezas y accesorios multimedia
Veratron Partes de ViewLine
VDO OceanLink Piezas Antiguas
Veratron Nuevas piezas de OceanLink
Veratron Partes de instrumentos de AcquaLink
VDO OceanLine Piezas Antiguas
+
OEM a granel
Veratron sensoren
+
Veratron OEM ViewLine Bulk
Ampèremetros
Cajeros de Bedrijfsuren
Medidores de Brandstof
Dieptémetros
Drukmeters
Roerstandaanwijzers
Snelheidsmeters
Temperatuurímetros
Vendedores
Gausas sincronizadoras de tacógrafos
Trimómetros
Tijdklokken
Voltímetros
Medidores de nivel de agua
+
Veratron OEM de piezas a granel
ViewLine Cables
Biseles ViewLine
+
Veratron Sensores Granel OEM
Emisores del brazo de la palanca de combustible 3-180 Ohm
+
Interfaces
Controladores de navegación
Caja del motor
Interfaces de medios
Interfaces de navegación
+
Descargas
Catálogos VDO:
Información sobre el producto de los medidores VDO:
Sensores y piezas VDO:
VDO Multimedia
phone
Contact
shopping_cart
0
Inicio
OEM a granel
Veratron OEM ViewLine Bulk
Cajeros de Bedrijfsuren
ViewLine de Veratron 10X - Contador de horas blancas de 52mm - Iluminado - 12-24V DLTC
search
ViewLine de Veratron 10X - Contador de horas blancas de 52mm - Iluminado - 12-24V DLTC
Número de parte:
A2C59513673
Diámetro de instalación 52 mm - 2 1/16"
Dial blanco - Retroiluminación ámbar
Clip de triángulo cromado con bisel
Horario de funcionamiento: 99999.9 uur
Entrada: Plus mediante interruptor de encendido
Lente: Doble plástico anti-empaña
Información logística:
Eliminado progresivamente - A petición
Haz clic aquí para obtener información detallada.
Peso: 0.33kg
Artículo descatalogado
Artículo de reemplazo a petición
Detalles del producto
Referencia
A2C59513673
Hoja técnica
Tamaño del orificio de instalación
52 mm - 2 1/16 de pulgada
Color
Dial blanco
Lente
Doble antiniebla de plástico
Modelo de bisel
Triángulo cromado
Rango de medición
0 - 99999.9 H
Categoría
Contadores de horas
Serie
Veratron ViewLine OEM-Bulk
Aplicación
Veratron Monitorización del motor
Señal analógica
Plus contactslot Ontsteking
Frente de la clase IP
IP67-IEC 60529
Voltaje de funcionamiento
12 - 24 voltios DC Tyco 8-pines
Estado de la pieza - Tiempo de entrega
Eliminado progresivamente - A petición
Embalaje
Veratron 10 Stuks OEM a granel
Funcionalidad
Intervalos de mantenimiento
Bezel intercambiable
Sí - Clip
Luz de advertencia
LED rojo - Control vía + y -
Comunicación
Analógico
Escala de esfera
Soltero
Montaje
Tuerca central de bloqueo de spinlock 52mm
Iluminación de esfera
LED ámbar no regulable
Parte trasera de la Clase IP
IP52-IEC 60529
Tipo de conector de datos
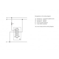
Tyco 8-Polig MQS
Tipo de conector de alimentación
Tyco 8-Polig MQS
A2C59513673
Diámetro de instalación 52 mm - 2 1/16"
Dial blanco - Retroiluminación ámbar
Clip de triángulo cromado con bisel
Horario de funcionamiento: 99999.9 uur
Entrada: Plus mediante interruptor de encendido
Lente: Doble plástico anti-empaña