search
clear
Rejestrowanie
email
phone
Język:
pl
en
nl
de
es
fr
it
pl
pt
Instrumenty
Seria VL
VL Flex
VL Digital
Veratron VMH
VMH 35
VMH 14
VMH 70
VMH Flex
Veratron Marine ViewLine
amperometry
Wskaźniki poziomu paliwa
Mierniki głębi
Manometry
Zegary
Mierniki programerbare
Wskaźniki kąta steru kierunku
Prędkościomierze GPS - SOG
Speedometers Street
Mierniki temperatury
Obrotomierze
Wskaźniki trim
Liczniki godzin
Woltomierze
Voltmeter – liczniki godzin
Wskaźniki poziomu wody
Mierniki synchronizacji tacho
Monitorowanie ostrzegawcze
Veratron Marine AcquaLink
amperometry
Wskaźniki poziomu paliwa
Kontrolery
Mierniki głębi
Manometry
Kompas
Jednostki masztowe do wyświetlania
Wyświetlacze wielofunkcyjne
Wskaźniki kąta steru kierunku
Prędkościomierze GPS - SOG
Prędkościomierze LOG
Mierniki temperatury
Mistrz obrotomierzy
Wskaźniki trim
Woltomierze
Veratron Marine OceanLink II
amperometry
Wskaźniki poziomu paliwa
Kontrolery
Mierniki głębi
Manometry
Kompassen
Wyświetlacze wielofunkcyjne
Programowalne wskaźniki
Wskaźniki kąta steru kierunku
Prędkościomierze GPS - SOG
Mierniki temperatury
Mistrz obrotomierzy
Wskaźniki trim
Woltomierze
Wskaźniki poziomu wody
VDO Marine Old Series
Wskaźniki poziomu paliwa
Manometry
Prędkościomierze LOG
Mierniki temperatury
Obrotomierze
Woltomierze
Czujniki
Czujniki poziomu paliwa
Czujniki rur paliwowych 0-180 omów
Czujniki rur paliwowych 90-4 Ohm
Czujniki rury paliwowej 240-33 omy
Nadajniki ramienia paliwa 3-180 omów
Czujniki monitorowania silnika
Inteligentny czujnik baterii (IBS)
Zastawki amperometryczne
Nadajniki ciśnieniowe
Nadajniki ciśnieniowe - Kontakt ostrzegawczy
Nadajniki ciśnieniowe – Podwójna stacja
Nadajniki ciśnieniowe-elektroniczne (EPS)
Przełączniki ciśnieniowe
Czujniki temperatury
Czujniki temperatury – Kontakt ostrzegawczy
Czujniki temperatury – Podwójna stacja
Przełączniki temperatury
Czujniki obrotowe i prędkościowe
Czujniki nawigacyjne
Czujniki barometryczne NMEA 2000
Czujniki głębokości NMEA 0183
Czujniki głębokości NMEA 2000
Czujniki GPS NMEA 0183
Czujniki GPS NMEA 2000
Czujniki kompasu NMEA 2000
Czujniki temperatury NMEA 2000
Czujniki kąta steru kierunku
Sumlog Sensors Nowy Typ
Czujniki sumlog Stary Typ
Triducer Multisensor
Czujniki wiatru
Czujniki wiatru NMEA 2000
Czujniki poziomu wody
Czujniki ścieków 4-20mA
Czujniki ścieków NMEA 2000
Czujniki wody pitnej 3-180 omów
Czujniki wody pitnej 4-20mA
Czujniki wody pitnej NMEA 2000
Części
AcquaLink - części OceanLink
Morskie kable autobusowe Acqualink VDO
Morskie kable magistralne OceanLink II VDO
Kable systemu VDO-Bus
Ramki AcquaLink
Ramki OceanLink II
Części ViewLine
Kable łączące
Złącza
Ekspozycje
Belery
Interfejsy
Części montażowe
Programy
Przełączniki
Monitorowanie ostrzegawcze
Rezystory szeregowe
Oświetlenie
Części i akcesoria sensorów
Części czujników silnika
Części czujników poziomu
Części czujników nawigacyjnych
Części czujników Sumlog nowy model
Części czujnika sumlog stary model
Części Morskich Triducerów
Części czujnika trydusera NMEA 2000
Części czujnika wiatru voor 08-1993
Czujniki wiatru części: 08-1993
Części czujników wiatru NMEA 2000
Części multimedialne i akcesoria
Veratron Części instrumentów AcquaLink
Veratron Nowe części OceanLink
Stare części VDO OceanLink
Veratron Części ViewLine
Stare części VDO OceanLine
Bulk OEM
Veratron ViewLine Bulk OEM
Amperemetry
Kasjerzy Bedrijfsuren
Mierniki Brandstof
Dieptemetry
Drukmetry
Roerstandaanwijzers
Snelheidsmetry
Temperatuurmetry
Toerentellers
Mierniki synchronizujące Tacho
Trimmetry
Tijdklokken
Woltomierze
Mierniki Waterniveau
Veratron OEM części luzem
Ramki ViewLine
Kable ViewLine
Veratron Czujniki Bulk OEM
Nadajniki ramienia paliwa 3-180 omów
Pobrania
Katalogi VDO:
Ogólne
Instrumentacja Oceanlink
Instrumentacja ViewLine
Instrumentacja Cockpit International
Instrumentacja Acqualink
Instrumentacja Cockpit Vision
Informacje o produktach VDO Gauges:
amperometry
VDO Cockpit International
VDO ViewLine
Wizja z kokpitu VDO
Liczniki godzin silnika
VDO Cockpit International
VDO ViewLine
Wskaźniki poziomu paliwa
VDO Cockpit International
Wizja z kokpitu VDO
VDO ViewLine
Wielofunkcyjność 2 w 1
VDO ViewLine
Wielofunkcyjny 4 w 1
VDO ViewLine
Wskaźniki ostrzegawcze
VDO ViewLine
Mierniki głębi
VDO ViewLine
Manometry
VDO Cockpit International
Wizja z kokpitu VDO
VDO ViewLine
Wskaźniki kąta steru kierunku
VDO ViewLine
Prędkościomierze
VDO Cockpit International
Wizja z kokpitu VDO
VDO ViewLine
Prędkościomierze GPS SOG
VDO ViewLine
Sumlog prędkościomierzy
VDO ViewLine
Mierniki temperatury
VDO Cockpit International
Wizja z kokpitu VDO
VDO ViewLine
Zegary
VDO Cockpit International
Wizja z kokpitu VDO
VDO ViewLine
Mierniki synchronizujące Tacho
VDO ViewLine
Obrotomierze
VDO Cockpit International
Wizja z kokpitu VDO
VDO ViewLine
Wskaźniki trim
VDO ViewLine
Woltomierze
VDO Cockpit International
Wizja z kokpitu VDO
VDO ViewLine
Wskaźniki poziomu wody
VDO ViewLine
Wskaźniki wiatru
VDO ViewLine
Czujniki i części VDO:
Czujniki ścieków
VDO Multimedia
Radio DAB
Kontynentalne TRD7412UB-OR - 12 V:
Kontynentalne TRD7423UB-OR - 24 V:
Odtwarzacze CD radiowe
Kontynentalne CD7416U-OR - 12 V:
Kontynentalne CD7416UB-OR - 12 V:
Kontynentalne CD7426U-OR - 24 V:
Kontynentalne CD7426UB-OR - 24 V:
Radiowe
Kontynentalne TR7311U-OR - 12 V:
Kontynentalne TR7322U-OR - 24 V:
Kontynentalne TR7411U-OR - 12 V:
Kontynentalne TR7412UB-OR - 12 woltów:
Kontynentalne TR7422U-OR - 24 V:
Kontynentalne TR7423UB-OR - 24 V:
Home
+
Instrumenty
+
Veratron VMH
VMH 35
VMH 14
VMH 70
VMH Flex
+
Veratron Marine ViewLine
amperometry
Wskaźniki poziomu paliwa
Mierniki głębi
Manometry
Zegary
Mierniki programerbare
Wskaźniki kąta steru kierunku
Prędkościomierze GPS - SOG
Speedometers Street
Mierniki temperatury
Obrotomierze
Wskaźniki trim
Liczniki godzin
Woltomierze
Voltmeter – liczniki godzin
Wskaźniki poziomu wody
Mierniki synchronizacji tacho
Monitorowanie ostrzegawcze
+
Seria VL
VL Flex
VL Digital
+
Veratron Marine AcquaLink
amperometry
Wskaźniki poziomu paliwa
Kontrolery
Mierniki głębi
Manometry
Kompas
Jednostki masztowe do wyświetlania
Wyświetlacze wielofunkcyjne
Wskaźniki kąta steru kierunku
Prędkościomierze GPS - SOG
Prędkościomierze LOG
Mierniki temperatury
Mistrz obrotomierzy
Wskaźniki trim
Woltomierze
Wskaźniki poziomu wody
Wskaźniki wiatru
+
Veratron Marine OceanLink II
amperometry
Wskaźniki poziomu paliwa
Kontrolery
Mierniki głębi
Manometry
Kompassen
Wyświetlacze wielofunkcyjne
Programowalne wskaźniki
Wskaźniki kąta steru kierunku
Prędkościomierze GPS - SOG
Mierniki temperatury
Mistrz obrotomierzy
Wskaźniki trim
Woltomierze
Wskaźniki poziomu wody
Wskaźniki wiatru
+
VDO Marine Old Series
Wskaźniki poziomu paliwa
Manometry
Prędkościomierze LOG
Mierniki temperatury
Obrotomierze
Woltomierze
+
Czujniki
+
Czujniki poziomu paliwa
Czujniki rur paliwowych 0-180 omów
Czujniki rur paliwowych 90-4 Ohm
Czujniki rury paliwowej 240-33 omy
Nadajniki ramienia paliwa 3-180 omów
+
Czujniki monitorowania silnika
Inteligentny czujnik baterii (IBS)
Zastawki amperometryczne
Nadajniki ciśnieniowe
Nadajniki ciśnieniowe - Kontakt ostrzegawczy
Nadajniki ciśnieniowe – Podwójna stacja
Nadajniki ciśnieniowe-elektroniczne (EPS)
Przełączniki ciśnieniowe
Czujniki temperatury
Czujniki temperatury – Kontakt ostrzegawczy
Czujniki temperatury – Podwójna stacja
Przełączniki temperatury
Czujniki obrotowe i prędkościowe
+
Czujniki nawigacyjne
Czujniki barometryczne NMEA 2000
Czujniki głębokości NMEA 0183
Czujniki głębokości NMEA 2000
Czujniki GPS NMEA 0183
Czujniki GPS NMEA 2000
Czujniki kompasu NMEA 2000
Czujniki temperatury NMEA 2000
Czujniki kąta steru kierunku
Sumlog Sensors Nowy Typ
Czujniki sumlog Stary Typ
Triducer Multisensor
Czujniki wiatru
Czujniki wiatru NMEA 2000
+
Czujniki poziomu wody
Czujniki ścieków 4-20mA
Czujniki ścieków NMEA 2000
Czujniki wody pitnej 3-180 omów
Czujniki wody pitnej 4-20mA
Czujniki wody pitnej NMEA 2000
+
Części
+
AcquaLink - części OceanLink
Morskie kable autobusowe Acqualink VDO
Morskie kable magistralne OceanLink II VDO
Kable systemu VDO-Bus
Ramki AcquaLink
Ramki OceanLink II
NMEA2000 Kabel i złącza
+
Części ViewLine
Kable łączące
Złącza
Ekspozycje
Belery
Interfejsy
Części montażowe
Programy
Przełączniki
Monitorowanie ostrzegawcze
Rezystory szeregowe
Oświetlenie
+
Części i akcesoria sensorów
Części czujników silnika
Części czujników poziomu
Części czujników nawigacyjnych
+
Części multimedialne i akcesoria
Veratron Części ViewLine
Stare części VDO OceanLink
Veratron Nowe części OceanLink
Veratron Części instrumentów AcquaLink
Stare części VDO OceanLine
+
Bulk OEM
Veratron sensoren
+
Veratron ViewLine Bulk OEM
Amperemetry
Kasjerzy Bedrijfsuren
Mierniki Brandstof
Dieptemetry
Drukmetry
Roerstandaanwijzers
Snelheidsmetry
Temperatuurmetry
Toerentellers
Mierniki synchronizujące Tacho
Trimmetry
Tijdklokken
Woltomierze
Mierniki Waterniveau
+
Veratron OEM części luzem
Kable ViewLine
Ramki ViewLine
+
Veratron Czujniki Bulk OEM
Nadajniki ramienia paliwa 3-180 omów
+
Interfejsy
NavControllers
Skrzynka silnika
Interfejsy multimedialne
Interfejsy nawigacyjne
+
Pobrania
Katalogi VDO:
Informacje o produktach VDO Gauges:
Czujniki i części VDO:
VDO Multimedia
phone
Contact
shopping_cart
0
Dom
Bulk OEM
Veratron ViewLine Bulk OEM
Dieptemetry
10X Veratron ViewLine - 85mm miernik głębi 30m - 12-24V DL
search
10X Veratron ViewLine - 85mm miernik głębi 30m - 12-24V DL
Numer części:
A2C59501321
Średnica instalacji 85 mm - 3 3/8"
tarcza - bursztynowe podświetlenie
Kabel i ramki zamawiają osobno
Głębokość: 0 - 30 metrów
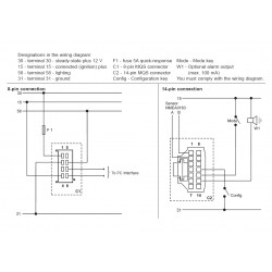
Dane wejściowe: NMEA 0183
Obiektyw: Podwójny plastik przeciwmgielny
Informacje logistyczne:
Wycofane – na życzenie
Kliknij tutaj, aby uzyskać szczegółowe informacje.
Kod EAN: 7640178721890
Waga: 0.35kg
Artykuł zakończony
Artykuł zastępczy na życzenie
Szczegóły produktu
Bibliografia
A2C59501321
Karta katalogowa
Rozmiar otworu montażowego
85 mm - 3 3/8 cala
Kolor
tarcza
Soczewka
Plastikowy podwójny anty-mgiełkowy
Model z bezelem
Opcjonalny bezel – Zobacz części
Zakres pomiarów
0 - 30 metrów
Kategoria
Mierniki głębi
Serie
Veratron ViewLine OEM-Bulk
Zastosowanie
Veratron Nawigacja
Sygnał analogowy
Brak wejścia analogowego
Front klasy IP
IP67-IEC 60529
Napięcie robocze
12 - 24 W DC Tyco 8-pinowe
Status części - Czas dostawy
Wycofane – na życzenie
Funkcjonalność
Głębokość
Wymienne bezel
Tak – Klips
Kontrolka ostrzegawcza
Czerwona dioda LED - programowalna
Komunikacja
NMEA 0183
Skala tarczowa
Single
Montaż
Centralna siodełka spinlock 85mm
Oświetlenie tarczy
Bursztynowa dioda LED nie da się
Tył klasy IP
IP52-IEC 60529
NMEA Standard
NMEA - IEC 61162
Konkretne odniesienia
EAN13
7640178721890
A2C59501321
Średnica instalacji 85 mm - 3 3/8"
tarcza - bursztynowe podświetlenie
Kabel i ramki zamawiają osobno
Głębokość: 0 - 30 metrów
Dane wejściowe: NMEA 0183
Obiektyw: Podwójny plastik przeciwmgielny