10X Veratron ViewLine - 85mm zwarte dieptemeter 30m - 12-24V dieptespoor
search
  • 10X Veratron ViewLine - 85mm zwarte dieptemeter 30m - 12-24V dieptespoor
  • 10X Veratron ViewLine - 85mm zwarte dieptemeter 30m - 12-24V dieptespoor
  • 10X Veratron ViewLine - 85mm zwarte dieptemeter 30m - 12-24V dieptespoor

10X Veratron ViewLine - 85mm zwarte dieptemeter 30m - 12-24V dieptespoor

Onderdeelnummer:

A2C59501321

  • Installatiediameter 85 mm - 3 3/8"
  • Zwarte wijzerplaat - Achterlicht amber
  • Kabel en bezel apart bestellen
  • Diepte: 0 - 30 meter
  • Invoer: NMEA 0183
  • Lens: Anti-mist dubbel plastic
Logistieke informatie:
  • Ean Code: 7640178721890
  • Gewicht: 0.35kg
Stopgezet artikel
Vervangingsartikel op verzoek

Functionele beschrijving ViewLine Dieptemeter:

De ViewLine 85mm dieptemeter van Veratron wordt gebruikt om de analoge waterdiepte te meten tot 30 meter diepte. Middels het geïntegreerde vrij instelbaar alarm kan ook in ondiep water worden gevaren. De Veratron dieptemeter krijgt zijn gegevens via een NMEA 0183 sensor. Sensoren zijn er voor door de huid montage of spiegel montage. Op het geïntegreerde display kan bij het gebruik van een Veratron Triducer sensor ook de watertemperatuur afgelezen worden.

Veratron ViewLine A2C59501321 Specificaties:

Maten en montage A2C59501321:

Diameters: - Inbouw - Buiten - Flushmount:85mm-3 3/8 Inch : 93mm-3 2/3 Inch : 75.4mm
Installatie diepte met connectorStandaard 65mm - Flushmount 65mm
Paneeldikte met spinlock moer:0.5mm - 20mm
Paneeldikte met bracket montage:2mm - 15mm - Optionele kit A2C59510854
Paneeldikte Flushmount:1.5mm - 3mm - Optionele kit A2C59510864

Functionaliteit A2C59501321:

Meetbereik analoge diepte:Diepte: 0 - 30 Meter
Meetbereik schaal boven:Diepte: 0 - 30 Meter
Meetbereik schaal onder:Via display
Ingangsignaal ViewLine A2C59501321 DieptemeterNMEA 0183 - DBT - DPT - MTW
Meetsysteem:NNB
Programmering:Met optionele pushbuttons
Alarm LED - Alarm uitgang:Rood (632nm) Programmeerbaar - +12 Volt 500 mA
Meetnauwkeurigheid A2C59501321:< 2.5 % van de volle schaal 0 - 240°
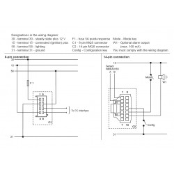
Connector(s):Hirschmann 8 & 14 pins MQS connector

Voeding A2C59501321:

Voedingspanning: 10 - 30 Volt DC
Stroomverbruik:< 150 mA inclusief waarschuwings LED
Ompoolbeveiliging:Maximaal 5 Minuten
Kortsluitbestendigheid:Maximaal 1 Minuut

Schaal & wijzer A2C59501321:

Schaalverdeling:240°
Schaal kleur:Zwarte wijzerplaat
Schaalverlichting:Amber LED backlight 605nm
Wijzer:Wit met LED verlichting

Uitvoering A2C59501321:

Model:Veratron ViewLine Marine
Front glas type - Materiaal:Dubbel - PMMA - Anticondens - Ontspiegeld
Standaard frontring niet inbegrepen:OEM model clip-on - Apart bestellen - 9 Modellen beschikbaar
Behuizing material:PC - Brandvertragend - UL94

Beschermklasse en certificering A2C59501321:

Front beschermingsklasse:IP67 Volgens IEC 60529 - In normale positie
Achterkant beschermingsklasse:IP52 Volgens IEC 60529 - In normale positie
Relatieve vochtigheid:Maximaal 95%
Bedrijfstemperatuur:Met standaard PC Frontring: -30°C to +80°C
Met Chromen ABS Frontring: -30°C to +70°C
CE Certificering - ISO Productie Certificering:Ja - NNB
REACH - RoHS - Lead-Free:Conform 2002/95/EU Richtlijn
Vibratie bestendigheid:Sinus 2g - 10-500Hz - Duur 16 Uur
Ruis 3g - 10-1000Hz - Duur 8 Uur
Mechanische schok bestendigheid:Continu: 25g - 6ms - 1Hz
Single shock - 100g - 11ms
Free fall: 1m - 3 times
EMC conformiteit volgens:DIN_EN 61000-6-1
DIN_EN 61000-6-2
DIN_EN 61000-6-3
DIN_EN 61000-6-4
Chemisch restent tegen:Conserveermiddel
Conserveermiddel verwijderaar
Motor reinigingsmiddel
Spiritus
Interieur reiniger
Dranken die caffeine en tannine bevatten

Verpakking inhoud A2C59501321:

  • Veratron Marine ViewLine 10 stuks Bulk-OEM A2C59501321 Dieptemeters
  • Rubber pakking
  • Centrale spinlock moer 85mm
  • Frontring apart bestellen
  • QR code
  • Veiligheids- en installatie instructies
  • Aansluitkabel en druktoetsen apart bestellen
  • Veratron instrumenten worden zonder sensoren geleverd
A2C59501321

Datasheet

Grootte van het installatiegat
85 mm - 3 3/8 inch
Kleur
Zwarte wijzerplaat
Lens
Plastic dubbele anti-mist
Bezelmodel
Bezel optioneel - Zie onderdelen
Meetbereik
0 - 30 meter
Categorie
Dieptemeter
Serie
Veratron ViewLine OEM-bulk
Toepassing
Veratron Navigatie
Analoog signaal
Geen analoge ingang
IP-klasse front
IP67-IEC 60529
Bedrijfsspanning
12 - 24 Volt DC Tyco 8-pins
Status van onderdelen - Levertijd
Uitgefaseerd - Op verzoek
Functionaliteit
Diepte
Bezel Verwisselbaar
Ja - Clip-on
Waarschuwingslampje
Rode LED - Programmeerbaar
Communicatie
NMEA 0183
Wijzerschaal
Single
Montage
Centrale Spinlock-moer 85mm
Draaiwijzerverlichting
Amber LED niet dimbaar
IP-klasse achteren
IP52-IEC 60529
NMEA-standaard
NMEA - IEC 61162

Specifieke referenties

ean13
7640178721890